VALVE STAND
정밀 기계가공 및 전기 컨트롤스 분야 자체 설계능력
보유하고 있어 세계 각국의 다양한 프로젝트에 참여 및
독자 개발 및 특허를 다수 보유하고 있습니다.

Source of water hydraulics
Evertz Hydrotechnik GmbH & Co. KG concern itself with the development, design, fabrication and routine maintenance of water-hydraulics components and systems. leader in supplying pumps, automatic valves, and mechanical seals.










Drysdale
David Brown
Mather&Pather
Allen Gwynes
American Pump
Union Pump
Pump Line
Weir Pump
DB Guninard Pump
WH Allen
Girdestone



As one of the leading manufacturers of pressure container equip- ment, we are the reliable and innovative partner of our internati- onally operating customers. We develop and produce sophisticated pressure containers and pressure-bearing modules.



Flowserve Japan Co., Ltd. specializes in manufacturing pumps, turbines, compressors, centrifuges and other machines, as a member of Flowserve Corporation in the United States, a world leader in supplying pumps, automatic valves, and mechanical seals.



myfukuoka.com is a portal to information about Fukuoka Prefecture, Japan. Our goal is to make myfukuoka.com the most comprehensive collection of English information about Fukuoka. myfukuoka.com is a project of the Fukuoka Center for Overseas Commerce in America (FCOCA).



ROPE GRAB
FOR CRANES WITH SUSPENSION- AND CLOSING ROPES
The rope grab is operated on a crane with two hoisting drums. These are the closing rope drum and the suspension rope drum. The grab
is hanging on the suspension rope. Opening and closing of the grab shells is done by the closing ropes and the integrated pulley block.
(Closing ropes are redirected multiple times through rope pulleys)
According to the quantity of closing and suspension ropes, there is a distinction between single-line, double-rope or four-rope grabs.
The rope grab gains the force for closing and gathering the material through its deadweight, the lever ratio and the reeving of the pulley
block.

MOTOR GRAB
FOR CRANES WITH SUSPENSION- AND CLOSING ROPES
The motor grab is operated on a crane with one or two suspension rope drums. It has its own hydraulic drive unit consisting of an electrical motor, a hydraulic pump and hydraulic components.
The crane provides the electrical power via an electrical lead, which may include control lines also. From the hydraulic drive, the motor grab gains the closing force. This force is transferred to the material through a convenient lever ratio in conjunction with the proper deadweight.

HYDRAULIC GRAB
FOR EXCAVATORS OR CRANES WITH A HYDRAULIC LEAD
The hydraulic grab does not have an own drive unit. The hydraulic drive from the excavator provides the power. It is directly connected to the suspension of the excavator and the hydraulic supply lines.
Similar to the Motor grab, the closing force is transferred to the material through a convenient lever ratio in conjunction with the proper deadweight. The only difference is that the hydraulic drive is not included in the grab. An additional way to transfer the force is the relatively rigid connection to the excavator.

CLAMSHELL GRAB

ORANGE-PEEL GRAB

DREDGING GRAB

ROUND LOG GRAB

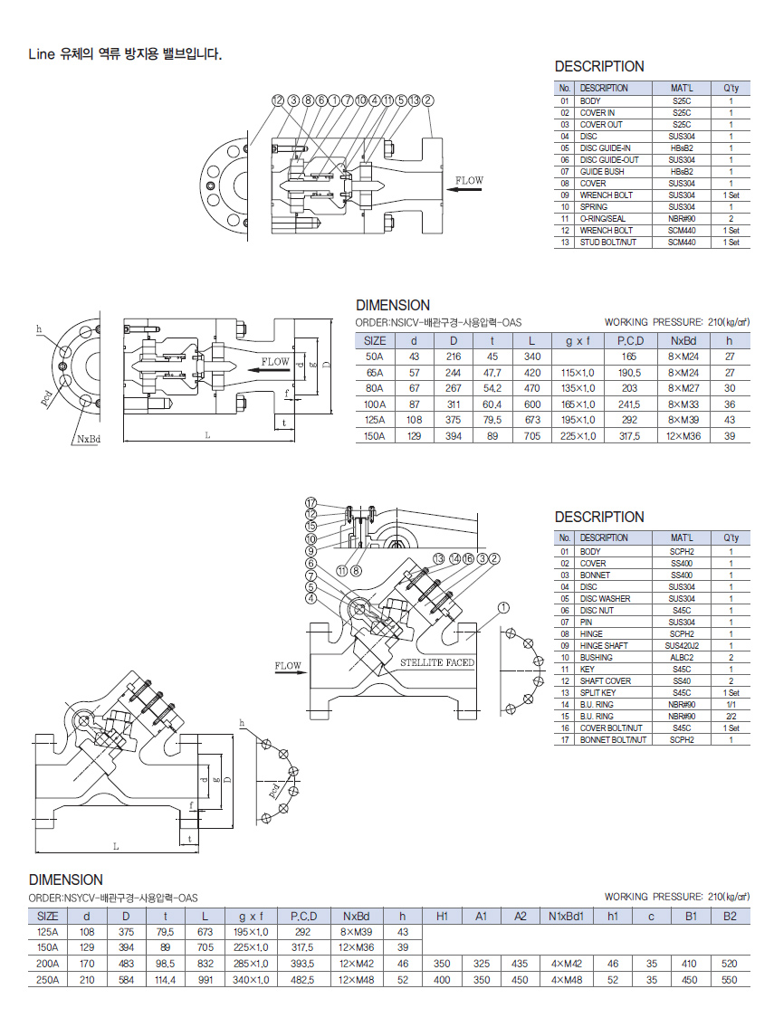
배관내 흐르는 유체를 차단하는 Shut-off Valve가 Open 상태에서 Close를 하거나 Close 상태에서 Open 동작을 할때 순간적으로 Valve를 차단 또는 개방을 함으로써 발생되는 수격현상(水擊現狀, Water hammering) 때문에 소음과 진동이 발생하고 이로 인하여 배관의 손상이나 계장품 또는 펌프에 치명적인 영향을 초래하게 됩니다. 이를 방지하기 위하여 Pilot Cylinder를 동작시켜 Equalizing 기능을 행한후 Main Cylinder를 동작시켜 유로(수로)의 흐름을 원활하게 함으로써 밸브의 차단 또는 개방시 발생하는 "충격을 방지하는 밸브" 입니다.











Flowserve Japan Co., Ltd. specializes in manufacturing pumps, turbines, compressors, centrifuges and other machines, as a member of Flowserve Corporation in the United States, a world leader in supplying pumps, automatic valves, and mechanical seals.


Light burning powder
Magnesia
refractories for steelmaking converter
Refractory material for electric furnace













































